SpectraVision™ Software : Signal Identification and Analysis: Basic (Option 472) : General Overview
 
General Overview
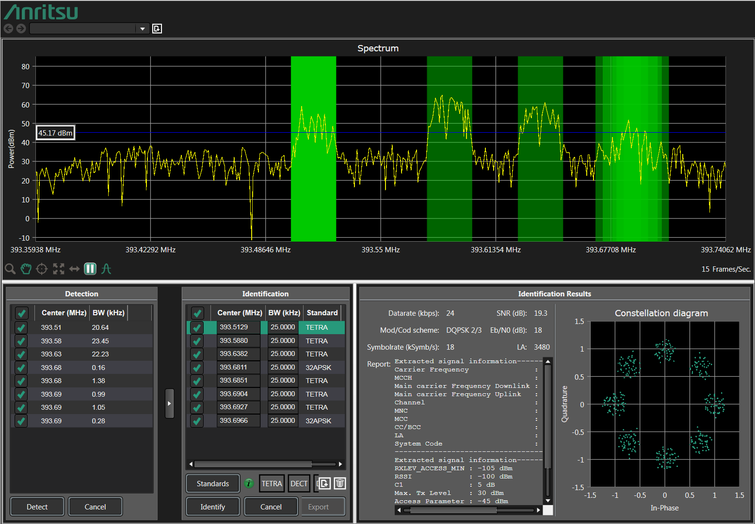
The following screen displays the panels for Signal Analysis: Basic. These additional panels are Interference Detection, Identification, and Identification Results.
 
Signal ID Basic Display
Spectrum Settings
The spectrum settings are the same as in the spectrum mode. (See General Setup.)
Detection Threshold
Using a threshold allows you to select signals greater than or equal to the threshold for detection. Add a horizontal threshold by holding Shift and clicking the mouse at the appropriate level on the trace screen. Remove the line by placing the cursor on the threshold value box and clicking the X button.
Detection & Identification Table
Detection finds carrier candidates. Select the desired carrier frequencies and move them to the Identification table. This is done by clicking on the right-arrow symbol located between the Detection and Identification windows. In the Identification window, click on the Standards button. This brings up a separate window for users to select the types of modulation used for the identification. Users can also check the box to the left of Standard at the top of the window. This selects all modulation types that will be used in the identification process. The identification supports many standards. Click on any of the frequencies to be identified. Users can click on the top checkbox to select all frequencies in the table for identification. Click on the Identify button to begin the identification process.
Identification Results
Detected carriers and identified standards will be displayed here. Additional information and a constellation diagram are also shown if available. Users can show results for various signals by clicking on the associated frequency in the Identification window. The signal that is highlighted in green is used for the Identification Results window.